
WS-20温湿度记录仪销售价格500-600聚创环保
一、 快速使用
1、使用前请确认安装上电池,同时按下“SET”+“ENTER”键开机。
2、请安装光盘上的软件,安装后有详细的帮助文档,仪表所有参数设置都
支持软件操作,初次使用主要校准时间、设置记录间隔、温湿度上下限
告警值和开启记录,带外置探头的请插上探头。
二、 产品概述
WS-20温湿度记录仪是我司研发的超低功耗、宽视角LCD大屏幕显示、高精度、大容量存储的记录仪表。使用进口传感器探头,保证了产品的优异测量性能。采用可拆卸18650大容量可充电锂电池,充一次电可用一年。实时记录温湿度数据,记录间隔从1秒至24小时任意设置,内部容量可存储30万组数据,1GB的SD卡能存储上亿条数据。USB通讯接口方便与电脑连接查看和导出历史记录数据,自动生成Excel、曲线、PDF文件。强大丰富的功能,支持本机查看告警记录、历史记录、当天最.值、最小值、平均值、露点值,记录状态显示、电池电量显示、充电指示、温度湿度上限下限告警指示、SD卡状态指示(顶配)等。灵活的节能配置,可任意配置声报警、光报警、声光报警和短报警,实时显示和休眠模式。支持探头灵敏度、温度湿度校准设置。
三、 应用范围
广泛应用于机房、车间、冷库、仓库、药库、实验室、恒温恒湿箱、图书馆、博物馆、办公室等场所。
四、 产品特点
Ø USB通讯接口方便与电脑连接。
Ø 支持本机查看告警记录和历史记录。
Ø 支持开记录、关记录和整点记录功能。
Ø 大容量存储,内部容量30万组+1GBSD卡。
Ø 进口探头测量精度高,范围宽,一致性好。
Ø 宽视角大屏LCD设计,大方美观。
Ø 密码保护功能,防止非工作人员误操作。
Ø 摄氏度华氏度可切换,通用。
Ø 可显示当天最.值、最小值、平均值。
Ø 记录状态显示、总记录、未读记录一目了然。
Ø 自带时钟功能,年月日时分秒都能显示。
Ø 充电指示和电池电量提示图标。
Ø 可设节能模式与实时显示模式。
Ø 性能可靠,掉电不丢失数据。
Ø 温度湿度可校准
Ø 自带露点分析功能。
Ø 超低功耗,18650可充电电池,充一次电用一年。
Ø 记录间隔可设,1秒至24小时任意设置。
Ø 工业结构卡扣底座设计,壁挂、吸顶、86盒、柜子、桌面等多种安装方式。
五、 主要技术参数
|
供 电 |
电池:18650 3.7V锂电池 USB线供电:DC5V |
|
测量范围 |
温度:内置探头 -20℃~70℃; 外置探头 -40℃~85℃ 湿度:0~100%rh |
|
测量精度 |
温度:±0.2℃ 分辨率0.1℃ 湿度:±2%rh 分辨率0.1 rh |
|
输出接口 |
标配USB(其他的接口RS485 /WIFI 单独定做) |
|
通讯协议 |
MODBUS RTU |
|
通讯地址 |
1-247, |
|
波特率 |
9600 bit/s, 19200 bit/s, 115200 bit/s, 1000000 bit/s |
|
电池寿命 |
充一次电用一年(5分钟记录一次,关闭报警,插SD卡会稍微耗电) |
|
存储容量 |
30万组+1GBSD卡(SD卡能存储上亿条数据) |
|
有效工作面积 |
建议10-20m2/台 |
|
安装方式 |
桌面,室内墙面安装,天花板吸顶安装 |
|
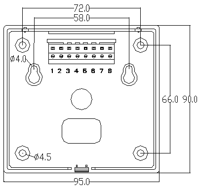
产品尺寸 |
90*95*29mm |
·
六、 按键及设置操作说明
常用快捷键:
开机或关机:同时按下“SET”+“ENTER”键可开机或关机。
![]()
开记录或关记录:在初始页面按下“向上”+“向下”键,有“ ”代表开,无“ ”代表关。
![]()
![]()
报警方式切换:在初始页面按下“向上”+“ENTER”键,“ ”声报警,“ ”光报警,“ ”声光报警。
更多报警方式请在软件上配置,如连续报警、短报警等。
历史记录查询:在初始页面按下“向下”+“ENTER”键,可进入或退出历史记录查询页面,按“向上”或“向下”键翻看。
告警记录查询:在初始页面按下 “ENTER”键,可进入或退出告警记录查询页面,按“向上”或“向下”键翻看。
在初始页面下,按“向上”/“向下”键可以切换显示:时间、最.值、最小值、平均值、露点、记录状态。
设置操作:在初始页面下,按“SET”键提示输入密码,初始密码为“0000”,此时闪动的位按“向上”“向下”键可以进行调整,按“SET”键可以移位,输入正确密码后按下“ENTER”键即可进入设置页面,参数设置页面共有22页,按“向上”“向下”键可以选择需要设置的项目,按下“ENTER”键可以设置当前项目的参数,参数调整OK后,按下“ENTER”键保存设置,再按“SET”键可返回到初始页面。按键及设置页面介绍如右图:
设置项目与对应的页码

七、 安装说明


电池安装:按下“底座扣位”拉开底座,电池槽在仪表背面,注意电池正负极方向。
仪表有保护电路,电池装反不会烧坏,如果装反了调过来就好了。
八、 品质保证
质保期12个月。在质量保证期内,基于正常使用和非人为损坏,对产品提供免费维护服务。
|
供 电 |
电池:18650 3.7V锂电池 USB线供电:DC5V |
|
测量范围 |
温度:内置探头 -20℃~70℃; 外置探头 -40℃~85℃ 湿度:0~100%rh |
|
测量精度 |
温度:±0.2℃ 分辨率0.1℃ 湿度:±2%rh 分辨率0.1 rh |
|
输出接口 |
标配USB(其他的接口RS485 /WIFI 单独定做) |
|
通讯协议 |
MODBUS RTU |
|
通讯地址 |
1-247, |
|
波特率 |
9600 bit/s, 19200 bit/s, 115200 bit/s, 1000000 bit/s |
|
电池寿命 |
充一次电用一年(5分钟记录一次,关闭报警,插SD卡会稍微耗电) |
|
存储容量 |
30万组+1GBSD卡(SD卡能存储上亿条数据) |
|
有效工作面积 |
建议10-20m2/台 |
|
安装方式 |
桌面,室内墙面安装,天花板吸顶安装 |
|
产品尺寸 |
90*95*29mm |
